HIKVISION DS-1275ZJ-SUS Προσαρμογέας στήριξης σε στύλο, γενικής χρήσης, Vertical pole mount Adapter
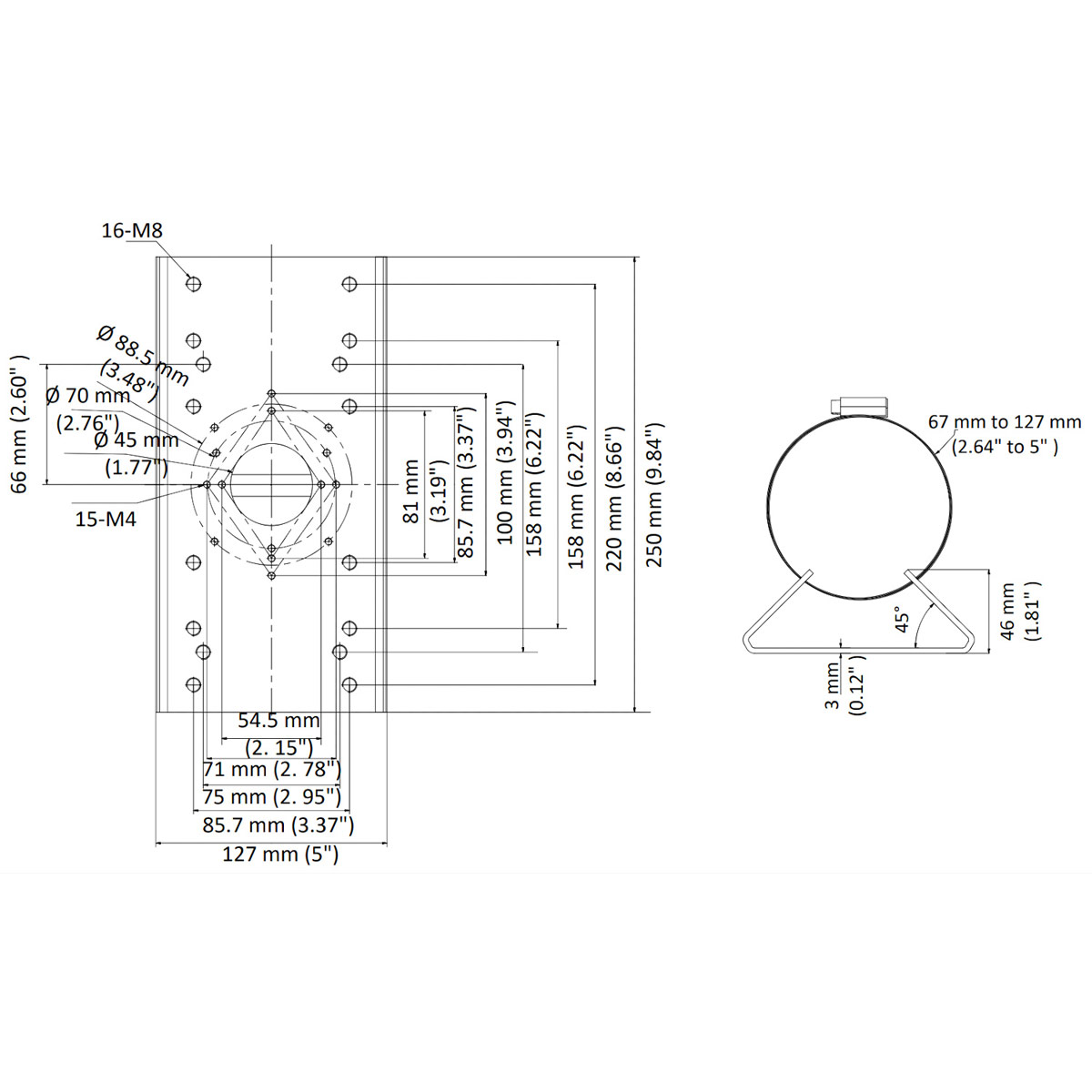
HIKVISION DS-1275ZJ-SUS Ανοξείδωτος (stainless steel) κοντός προσαρμογέας στήριξης σταθερής κάμερας bullet σε στύλο, Vertical pole mount Adapter. Διαστάσεις (ΠxBxY): 127×46×250 mm
- Για κάμερες Bullet ή Dome συστήνεται η χρήση της κατάλληλης (για την κάμερα σας) μεταλλική βάση τοίχου - κουτί διακλάδωσης.
- Κατάλληλο για στύλους διαμέτρου 67 ως 127mm.
Για στύλους μεγαλύτερης διαμέτρου από 127 mm θα πρέπει να αντικαταστήσετε τα τσέρκια και τους σφιγκτήρες με άλλα του εμπορίου.
Χαρακτηριστικά:
- Χρώμα: Λευκό Hikvision
- Υλικό: Κράμα Αλουμινίου
- Εύρος διαμέτρου ιστού: Ø67 ~ Ø127 mm
- Διαστάσεις: 127×46×250 mm
- Βάρος: 760 γρ
Σχετικά Έγγραφα:
DS-1275ZJ-SUS Datasheet (English)